GEO5 – Neue Software für Malteserkreuzgetriebe
Eine neue Software berechnet die Abmessungen von Malteserkreuzgetrieben mit 3, 4, 5, 6 oder mehr Strahlen.

In einer Animation kann man den Eingriff des Antriebsbolzens und Drehung von Antriebs- und Malteserrad verfolgen. Verlauf von Antriebs- und Abtriebsdrehung, Winkelgeschwindigkeit und Beschleunigung werden als Diagramm dargestellt.

Zuletzt kann man alle Teile (bis auf Bolzen und Wellen) mit dem 3D-Drucker ausdrucken und ein funktionsfähiges Modell zusammenbauen. GEO5 ist ab sofort lieferbar für 218 Euro + Mwst.
FED6 – Eingabe und Tolerierung Dm, Di, De
Gleich wie in FED1+ kann man jetzt auch in FED6 wählen, ob der Mittlere Windungsdurchmesser Dm, Außendurchmesser De oder Innendurchmesser Di eingegebn und toleriert werden soll.

FED6 – Eingabe L0 oder aw oder P bei Windungsabschnitten

Anstelle der Länge eines Windungsabschnitts kann man jetzt auch den Windungsabstand aw oder die Steigung P als Eingabewert konfigurieren. Die Einstellung hat auch Auswirkung auf die Fertigungszeichnung: nur der konfigurierten Wert wird in der Tabelle ausgegeben.
FED7: Eingabe L0 oder aw oder P und Dm, Di, De bei Windungsabschnitten

Die Eingabe der Windungsabschnitte bei FED7 wurde flexibler: Alternativ zur Länge eines Federabschnitts L0i kann man den Windungsabstand aWi oder die Steigung Pi eingeben. Und alternativ zum mittleren Windungsdurchmesser kann nun auch äußerer oder innerer Windungsdurchmesser eingegeben werden. Die Einstellung hat auch Auswirkung auf die Fertigungszeichnung: nur der zuletzt gewählte Wert wird in der Tabelle ausgegeben.
FED5: Draufsicht

In der neuen Draufsicht kann man die Führung der Kegelfeder in Dorn und Hülse beurteilen, vor allem auch bei koaxialen Endwindungen. Eingezeichnet werden Aufnahmedorn und Hülse sowie die Endwindungen der Kegelfeder. Von den aktiven Windungen wird nur die Mittellinie (als Spirale) eingezeichnet.
FED1+: Relaxationstabelle

In der Relaxationstabelle steht bei F1 statt Federkraft F1 die Federkraft F2. Der Fehler wurde korrigiert, für den Hinweis bedanke ich mich bei Herrn Balic von Joos Federn. Wenn Sie Ihre Software zwischen August 2016 und April 2017 gekauft haben und die Relaxationstabelle statt Federkraft F1 Daten der Federkraft F2 anzeigt, können Sie ein kostenloses Update anfordern.
FED13: 3D STL-Modell

Ein 3D-Modell der Wellfeder kann man jetzt als STL-Datei ausgeben und mit einem 3D-Viewer anzeigen.
FED13: Quick4-Ansicht

Die Quick4-Ansicht enthält Wellfederdaten, Zeichnungen, Federkennlinie und Goodman-Diagramm in einem A3-Zeichnungsrahmen.
FED13: Neuer Preis
Der Preis einer Einzelplatzlizenz von FED13 ändert sich von 185 auf 228 Euro.
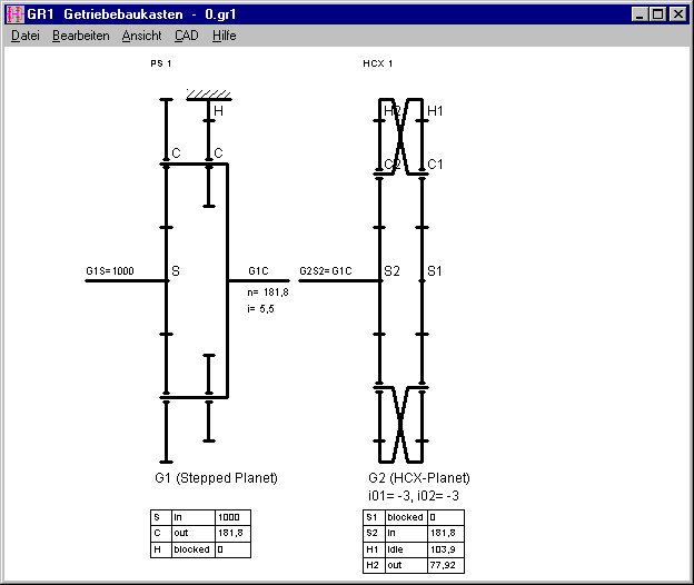
GR1: Neue Getriebeelemente Stufenplanet und HCX-Planetenpaar

Mit der Getriebebaukasten-Software GR1 kann man jetzt auch Stufenplaneten sowie Planetenradpaare verbauen, bei denen Hohlrad und Carrier kreuzweise verbunden sind (deshalb HCX-Planetenpaar).

Beim HCX-Planetenpaar gibt es ähnlich wie bei Simpson- oder Ravigneaux-Planetenstufen 1 oder 2 Eingangswellen, 1 Ausgangswelle und eine leerlaufende Welle. Mit Stufenplaneten kann man bei geringfügig größerem Bauraum höhere Übersetzungen realisieren als bei einfachen Planetenstufen.
ZAR4: Zahnräder mit Einbaumarkierung

Um falsche Montage unrunder Zahnräder zu vermeiden, werden Antriebsrad und Gegenrad mit einem Pfeil markiert. Von ZAR4 gibt es auch eine neue Demoversion zum Download, damit kann man unrunde Zahnräder auf dem 3D-Drucker herstellen.
ZAR5, ZAR7, ZAR8: Wälzlagerzeichnung

Im Ansicht- und CAD-Menü kann man jetzt auch die von LG1 und WL1+ bekannte Wälzlagerzeichnung mit Lagerdaten anzeigen und in CAD übernehmen. Für den Verbesserungsvorschlage danke ich Herrn Schulze von BS Antriebstechnik.
ZAR1+: Berechnung nach DIN 3390 Teil 41
Offenbar rechnen manche Anwender immer nach DIN 3990 Teil 41, weil es da nicht so viele Eingaben gibt. DIN 3990 Teil 41 ist aber nur für Fahrzeuggetriebe mit Zahnrädern aus Einsatzstahl, einsatzgehärtet oder karbonitriert, sowie für Verzahnungsqualität 5 bis 7 nach DIN 3961 bzw. 4 bis 6 nach ISO 1328. Deshalb gibt es jetzt eine neue Fehlermeldung "DIN 3990-41 !" falls eine oder mehrere dieser Kriterien nicht erfüllt sind.
WN2+, WN4, WN5, WN10, WNXE: CAD Zeichnungsrichtung geändert

In der Zeichnung sieht man keinen Unterschied, ob die Zähne im oder gegen den Uhrzeigersinn gezeichnet werden. Mit dem DXF-Manager kann man im Animationsmodus sichtbar machen, in welcher Richtung und Reihenfolge die Zeichnung aufgebaut wird bzw. die Bahn verläuft. Nach jedem Zahn gab es einen Sprung, weil die Drehrichtung wechselte. Das wurde geändert. Bei Konvertierung in eine CNC-Bahn zum Drahterodieren etc. läuft die Bahn jetzt durchgehend, ohne daß vom CNC-Programm optimiert werden muß.
WN2,WN4,WN10,WNXE: Zahnbreite in Fertigungszeichnung bemaßt

In der Fertigungszeichnung wird nun auch die Zahnbreite bemaßt.
FED4, FED9, FED10, FED14, FED15, FED16: SWP-A und SWP-B ergänzt

In den Federwerkstoff-Datenbanken wurden die Federdrähte SWP-A und SWP-B nach JIS ergänzt.
SR1+ Trennfugenfläche bei exzentrischem Kraftangriff

Mit dem Vorschlagsbutton "<" bei "AD" wird jetzt die Trennfugenfläche aus kleinstem Außendurchmesser und größtem Innendurchmesser der beiden an der Trennfuge beteiligten Klemmplatten berechnet. Für den Verbesserungsvorschlag bedanke ich mich bei Herrn Lederer von Vossloh Locomotives.
Tip: STL-Dateien verkleinern
STL-Dateien von Federn sind sehr groß, weil Kreise als Polygon dargestellt werden. Sowohl der Drahtdurchmesser als auch der Windungsdurchmesser. Die Auflösung der Windungen kann man konfigurieren unter Bearbeiten->Berechnungsmethode, Voreinstellung ist 2°. Die Auflösung des Drahtquerschnitts wird konfiguriert unter "Datei\Einstellungen\CAD". Hier nicht in Winkelgrad, sondern in mm. Voreinstellung ist 0,1 mm. Die STL-Datei einer Druckfeder mit d = 3 mm und 5 Windungen, war 10 MB groß. Durch Änderung des Winkels auf 10° und der Auflösung auf 0,5 mm schrumpfte die Datei von 10 MB auf 0,5 MB.
FAQ: Was bedeutet Fn‘ in der Federkennlinie?
Fn' ist die Federkraft bei Überschreiten der zulässigen Schubspannung (taun' = tauz). Wird nur angezeigt bei Federn, die nicht blockfest sind (tauc>tauz).